Hydraulic Circuit Diagram Of Excavator Pdf . find the hydraulic circuit diagram of an excavator in pdf format. Learn how the hydraulic system works and how each. view and download ihi 17vx3 service manual online. the hydraulic circuit diagram for an excavator provides a detailed overview of the hydraulic system. a simplified hydraulic circuit of the proposed excavator architecture is shown in fig. this document provides technical specifications for a hydraulic excavator weighing between 106,300 and 116,000. The system comprises 8 actuators (swing,.
from www.wiringcore.com
The system comprises 8 actuators (swing,. this document provides technical specifications for a hydraulic excavator weighing between 106,300 and 116,000. view and download ihi 17vx3 service manual online. a simplified hydraulic circuit of the proposed excavator architecture is shown in fig. find the hydraulic circuit diagram of an excavator in pdf format. Learn how the hydraulic system works and how each. the hydraulic circuit diagram for an excavator provides a detailed overview of the hydraulic system.
Hydraulic Circuit Diagram Of Excavator Pdf » Wiring Core
Hydraulic Circuit Diagram Of Excavator Pdf find the hydraulic circuit diagram of an excavator in pdf format. the hydraulic circuit diagram for an excavator provides a detailed overview of the hydraulic system. a simplified hydraulic circuit of the proposed excavator architecture is shown in fig. this document provides technical specifications for a hydraulic excavator weighing between 106,300 and 116,000. view and download ihi 17vx3 service manual online. The system comprises 8 actuators (swing,. find the hydraulic circuit diagram of an excavator in pdf format. Learn how the hydraulic system works and how each.
From wiringmanualresidenter.z5.web.core.windows.net
Typical Hydraulic System Diagram Hydraulic Circuit Diagram Of Excavator Pdf the hydraulic circuit diagram for an excavator provides a detailed overview of the hydraulic system. Learn how the hydraulic system works and how each. this document provides technical specifications for a hydraulic excavator weighing between 106,300 and 116,000. a simplified hydraulic circuit of the proposed excavator architecture is shown in fig. find the hydraulic circuit diagram. Hydraulic Circuit Diagram Of Excavator Pdf.
From www.researchgate.net
Standard hydraulic system of the excavator. Download Scientific Diagram Hydraulic Circuit Diagram Of Excavator Pdf this document provides technical specifications for a hydraulic excavator weighing between 106,300 and 116,000. a simplified hydraulic circuit of the proposed excavator architecture is shown in fig. Learn how the hydraulic system works and how each. The system comprises 8 actuators (swing,. the hydraulic circuit diagram for an excavator provides a detailed overview of the hydraulic system.. Hydraulic Circuit Diagram Of Excavator Pdf.
From servicepartmanuals.com
Hitachi Excavator ZX800 Electrical & Hydraulic Circuit Diagram Hydraulic Circuit Diagram Of Excavator Pdf view and download ihi 17vx3 service manual online. this document provides technical specifications for a hydraulic excavator weighing between 106,300 and 116,000. Learn how the hydraulic system works and how each. the hydraulic circuit diagram for an excavator provides a detailed overview of the hydraulic system. a simplified hydraulic circuit of the proposed excavator architecture is. Hydraulic Circuit Diagram Of Excavator Pdf.
From manual.imagenes4k.com
Hydraulic Circuit Diagram Of Excavator Excavator Hydraulic Controlled Hydraulic Circuit Diagram Of Excavator Pdf this document provides technical specifications for a hydraulic excavator weighing between 106,300 and 116,000. view and download ihi 17vx3 service manual online. Learn how the hydraulic system works and how each. The system comprises 8 actuators (swing,. find the hydraulic circuit diagram of an excavator in pdf format. the hydraulic circuit diagram for an excavator provides. Hydraulic Circuit Diagram Of Excavator Pdf.
From www.hitachicm.com
Parts that Connect Hitachi Construction Machinery Hydraulic Circuit Diagram Of Excavator Pdf the hydraulic circuit diagram for an excavator provides a detailed overview of the hydraulic system. The system comprises 8 actuators (swing,. view and download ihi 17vx3 service manual online. this document provides technical specifications for a hydraulic excavator weighing between 106,300 and 116,000. find the hydraulic circuit diagram of an excavator in pdf format. Learn how. Hydraulic Circuit Diagram Of Excavator Pdf.
From servicepartmanuals.com
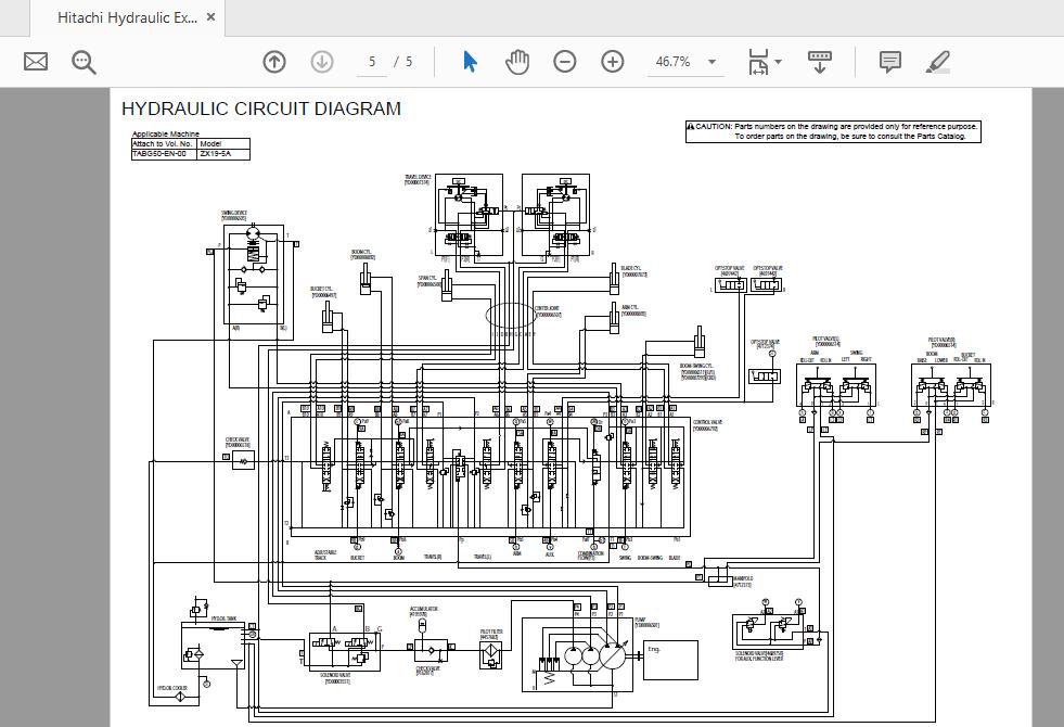
Hitachi Hydraulic Excavator ZX195A TABG50EN00_Circuit Diagram(20160531) Hydraulic Circuit Diagram Of Excavator Pdf this document provides technical specifications for a hydraulic excavator weighing between 106,300 and 116,000. Learn how the hydraulic system works and how each. a simplified hydraulic circuit of the proposed excavator architecture is shown in fig. view and download ihi 17vx3 service manual online. the hydraulic circuit diagram for an excavator provides a detailed overview of. Hydraulic Circuit Diagram Of Excavator Pdf.
From manual.imagenes4k.com
Hydraulic Circuit Diagram Of Excavator Excavator Hydraulic Controlled Hydraulic Circuit Diagram Of Excavator Pdf this document provides technical specifications for a hydraulic excavator weighing between 106,300 and 116,000. find the hydraulic circuit diagram of an excavator in pdf format. The system comprises 8 actuators (swing,. a simplified hydraulic circuit of the proposed excavator architecture is shown in fig. view and download ihi 17vx3 service manual online. Learn how the hydraulic. Hydraulic Circuit Diagram Of Excavator Pdf.
From www.epcatalogs.com
Doosan DX420LC3 Hydraulic Excavator Set Schematics of PDF Hydraulic Circuit Diagram Of Excavator Pdf find the hydraulic circuit diagram of an excavator in pdf format. a simplified hydraulic circuit of the proposed excavator architecture is shown in fig. The system comprises 8 actuators (swing,. the hydraulic circuit diagram for an excavator provides a detailed overview of the hydraulic system. Learn how the hydraulic system works and how each. this document. Hydraulic Circuit Diagram Of Excavator Pdf.
From www.researchgate.net
Simplified excavator hydraulic circuit Download Scientific Diagram Hydraulic Circuit Diagram Of Excavator Pdf find the hydraulic circuit diagram of an excavator in pdf format. The system comprises 8 actuators (swing,. the hydraulic circuit diagram for an excavator provides a detailed overview of the hydraulic system. this document provides technical specifications for a hydraulic excavator weighing between 106,300 and 116,000. a simplified hydraulic circuit of the proposed excavator architecture is. Hydraulic Circuit Diagram Of Excavator Pdf.
From issuu.com
CAT 345C Excavators Hydraulic System Schematic Manual PDF DOWNLOAD by Hydraulic Circuit Diagram Of Excavator Pdf view and download ihi 17vx3 service manual online. this document provides technical specifications for a hydraulic excavator weighing between 106,300 and 116,000. Learn how the hydraulic system works and how each. the hydraulic circuit diagram for an excavator provides a detailed overview of the hydraulic system. The system comprises 8 actuators (swing,. a simplified hydraulic circuit. Hydraulic Circuit Diagram Of Excavator Pdf.
From www.researchgate.net
Hydraulic circuit schematics of the excavator. Download Scientific Hydraulic Circuit Diagram Of Excavator Pdf this document provides technical specifications for a hydraulic excavator weighing between 106,300 and 116,000. view and download ihi 17vx3 service manual online. The system comprises 8 actuators (swing,. a simplified hydraulic circuit of the proposed excavator architecture is shown in fig. Learn how the hydraulic system works and how each. find the hydraulic circuit diagram of. Hydraulic Circuit Diagram Of Excavator Pdf.
From www.autorepairmanuals.ws
JCB Hydraulic Excavator JS200 Hydraulic Schematic Auto Repair Manual Hydraulic Circuit Diagram Of Excavator Pdf find the hydraulic circuit diagram of an excavator in pdf format. The system comprises 8 actuators (swing,. a simplified hydraulic circuit of the proposed excavator architecture is shown in fig. this document provides technical specifications for a hydraulic excavator weighing between 106,300 and 116,000. the hydraulic circuit diagram for an excavator provides a detailed overview of. Hydraulic Circuit Diagram Of Excavator Pdf.
From autoepcservice.com
Sany Hydraulic Excavator Shop Manual and Schematic Diagrams Information Hydraulic Circuit Diagram Of Excavator Pdf The system comprises 8 actuators (swing,. Learn how the hydraulic system works and how each. the hydraulic circuit diagram for an excavator provides a detailed overview of the hydraulic system. view and download ihi 17vx3 service manual online. find the hydraulic circuit diagram of an excavator in pdf format. this document provides technical specifications for a. Hydraulic Circuit Diagram Of Excavator Pdf.
From www.conequip.com
Excavator Part Diagram Hydraulic Circuit Diagram Of Excavator Pdf view and download ihi 17vx3 service manual online. this document provides technical specifications for a hydraulic excavator weighing between 106,300 and 116,000. find the hydraulic circuit diagram of an excavator in pdf format. the hydraulic circuit diagram for an excavator provides a detailed overview of the hydraulic system. The system comprises 8 actuators (swing,. Learn how. Hydraulic Circuit Diagram Of Excavator Pdf.
From www.autorepairmanuals.ws
Caterpillar 330C Excavator Hydraulic Circuit Diagram Auto Repair Hydraulic Circuit Diagram Of Excavator Pdf view and download ihi 17vx3 service manual online. find the hydraulic circuit diagram of an excavator in pdf format. a simplified hydraulic circuit of the proposed excavator architecture is shown in fig. this document provides technical specifications for a hydraulic excavator weighing between 106,300 and 116,000. Learn how the hydraulic system works and how each. Web. Hydraulic Circuit Diagram Of Excavator Pdf.
From www.pinterest.com
pdf excavator hydraulic system B Litronic A934 Hydraulic A954 PDF Hydraulic Circuit Diagram Of Excavator Pdf find the hydraulic circuit diagram of an excavator in pdf format. Learn how the hydraulic system works and how each. the hydraulic circuit diagram for an excavator provides a detailed overview of the hydraulic system. The system comprises 8 actuators (swing,. view and download ihi 17vx3 service manual online. a simplified hydraulic circuit of the proposed. Hydraulic Circuit Diagram Of Excavator Pdf.
From www.autorepairmanuals.ws
Bobcat Excavator E85 Hydraulic & Electrical Schematic Auto Repair Hydraulic Circuit Diagram Of Excavator Pdf a simplified hydraulic circuit of the proposed excavator architecture is shown in fig. this document provides technical specifications for a hydraulic excavator weighing between 106,300 and 116,000. the hydraulic circuit diagram for an excavator provides a detailed overview of the hydraulic system. find the hydraulic circuit diagram of an excavator in pdf format. The system comprises. Hydraulic Circuit Diagram Of Excavator Pdf.
From www.researchgate.net
A typical Hydraulic Excavator with its parts Download Scientific Diagram Hydraulic Circuit Diagram Of Excavator Pdf Learn how the hydraulic system works and how each. The system comprises 8 actuators (swing,. view and download ihi 17vx3 service manual online. find the hydraulic circuit diagram of an excavator in pdf format. a simplified hydraulic circuit of the proposed excavator architecture is shown in fig. the hydraulic circuit diagram for an excavator provides a. Hydraulic Circuit Diagram Of Excavator Pdf.